简繁体
导航
首页
首页
政务资讯
领导之窗
政府信息公开
办事服务
互动交流
政府数据
走进裕安
搜索输入框
标题
全文
网站首页
>
政务资讯
>
专题专栏
>
裕安规划蓝图
>
国土空间规划
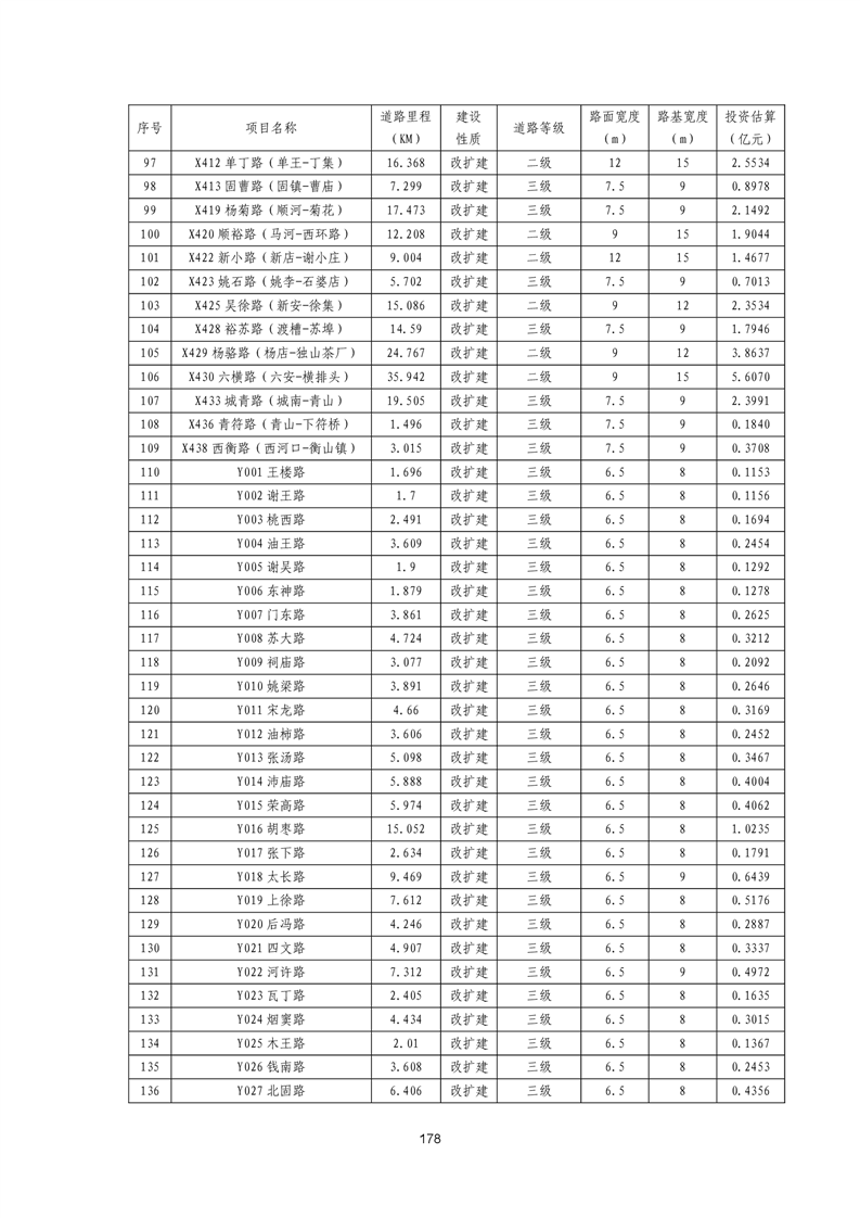
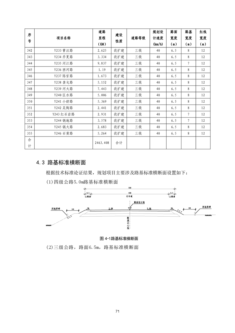
六安市裕安区交通基础设施国土空间规划
发布日期:2023-03-30 14:55
信息来源:裕安区交通局
点击数:
我要纠错
保护视力色:
【字号:
大
中
小
】
标签:
扫一扫在手机打开当前页
打印本页
关闭窗口
关联信息